TEST & MEASUREMENTS

Power R&D

Soluzioni specifiche per la fase di progettazione e dei test funzionali di apparati elettronici per applicazioni di elettronica di alta potenza.

Scopri le nostre soluzioni

3 di 4. Problematiche e soluzioni dell’acquisizione dei dati a banco e on board del veicolo

2 di 4. Power Spectrum Analysis PSA con il nuovo firmware su Power Analyzer Hioki PW8001

Cosa hanno di speciale le pinze di dispersione di corrente Hioki?

Batterie: scenari e misure necessarie per ottimizzare il funzionamento

Come verificare che non vi siano dispersioni di corrente nei veicoli elettrici dopo un evento imprevisto

Ciclatore: stress test per le batterie agli ioni di litio

Qualità e Manutenzione: Soluzioni per il test della batteria dalla cella alla confezione

Processo di Produzione: Soluzioni per il test della batteria dalla cella alla confezione

Ricerca e Sviluppo: Soluzioni per il test della batteria dalla cella alla confezione

Un test di isolamento adeguato per evitare che le batterie Li-ion prendano fuoco

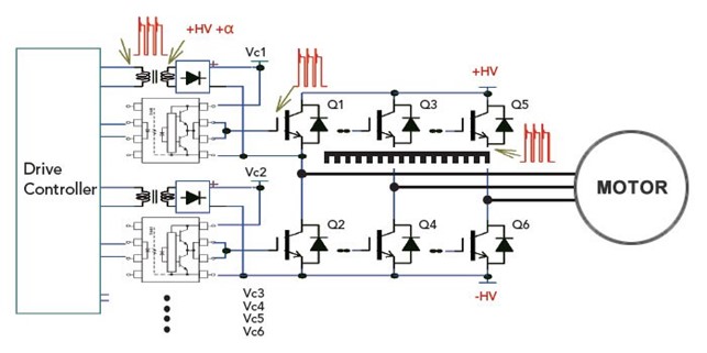
Una impercettibile scarica parziale può causare guasti negli IGBT e interferenze nei sistemi digitali

Analisi delle cause di difetti delle celle LiB

Come testare rapidamente l’inverter fotovoltaico con il simulatore solare CHROMA 62000H-S

Chroma 61815 Regenerative Grid Simulator

Analizzatori di impendenza da laboratorio

Correzione dello sfasamento

Webinar Automotive Measurement Solutions

Battery Tester: Misure di conformità per batterie su EV

Analizzatore di Potenza e Oscilloscopio 6 canali per la Conversione di potenza ed il controllo elettrico dei motori

Fast Charger per EV

BMS: Sistema di gestione della batteria

IM7580s Analizzatore d’impedenza Hioki

Controllo dello stato di motori e inverter

Insulation Winding Tester

Misure automatiche delle relazioni I-V e C-V con Keithley

Misure accurate in bassa corrente utilizzando l’elettrometro Keithley 6517B

Misure elettriche in alta resistenza con il modello Keithley 6517B

Suggerimenti per DC Test

Come ottenere accurate misure I-V

Simulazione di un profilo di scarica di una batteria

I Tester per la Sicurezza Elettrica di base

Efficienza energetica ed elettronica di potenza

Efficienza Energetica: Dispositivi che sono sempre accesi

Il passaggio dai componenti in silicio a quelli in SiC e GaN

Verso l’auto elettrica e ibrida

Utilizzo della termocamera per le applicazioni in ricerca

Monitoraggio delle aree di stoccaggio delle batterie

Soluzioni per il power supply: per le più svariate esigenze in R&D, Sale prove, produzione