Analizzatore di Potenza e Oscilloscopio 6 canali per la Conversione di potenza ed il controllo elettrico dei motori
La valutazione di un veicolo in condizioni di guida effettiva è una parte indispensabile del processo di sviluppo.
Durante la valutazione, i motori vengono testati in diverse situazioni di funzionamento, tra cui arresto/avviamento al minimo, durante la generazione o la ricarica elettrica, durante la guida esclusivamente elettrica, guida elettrica ausiliaria e con il sistema di recupero dell’energia di frenata.
PRODOTTI IN EVIDENZA
Con il seguente schema è possibile visualizzare i diversi blocchi del sistema ed i segnali che devono essere acquisiti ed analizzati:

Gli Analizzatori di Potenza
Con un Power Analyzer è possibile immettere i parametri del motore ed i segnali dai misuratori di coppia e dei misuratori di velocità per misurare la potenza del motore; è possibile valutare l’efficienza e la perdita di potenza in maniera estremamente accurata e veloce.
Il Power Analyzer è ottimo per misurare valori medi di potenza in condizioni operative stazionarie (carico costante, coppia, velocità, ecc.) in quanto calcola un valore medio su un tempo di acquisizione di diversi cicli.

Per questo tipo di misure, servono un elevato livello di accuratezza di almeno 0.02%, fino a 6 canali con ingressi diretti in tensione a 1500 V + ingressi diretti in corrente, campionamento di almeno 5MS/s e convertitori A/D a 18 bit è in grado di acquisire e misurare segnali fino a 2MHz di banda.
È possibile collegare direttamente un’ampia gamma di sensori di corrente ad alta accuratezza dove è possibile compensare l’errore di fase in un ampio range di frequenze per garantire misure molto più accurate ad elevate frequenze e basso power factor.




Oscilloscopio a 6 canali: quando diventa importante
Se il carico è dinamico, è possibile che un power analyzer non sia in grado di fornire un risultato significativo o assicurare la correlazione tra una condizione di carico statico e stabile con qualcosa di più dinamico. L’oscilloscopio è lo strumento scelto da molti progettisti per affrontare queste sfide.
L’oscilloscopio deve avere come caratteristiche minime almeno 6 canali, un campionamento di almeno 6,25 Gs/S per canale e sofware specifici per l’analisi della potenza su inverter, motori e azionamenti, semplificando enormemente le misurazioni di potenza su sistemi PWM trifase e aiutando i progettisti ad ottenere informazioni più rapide a affidabili.
La soluzione di analisi (IMDA) 3-Phase Inverter Motor Drive Analysis di Tektronix aiuta gli ingegneri a progettare meglio sistemi di azionamento del motore trifase più efficienti, sfruttando appieno l’interfaccia utente avanzata, sei o otto canali di ingresso analogico a 12bit HW e la modalità ad alta risoluzione per raggiungere i 16bit.

La soluzione IMDA fornisce risultati accurati, veloci e ripetibili per misurazioni elettriche su impianti industriali, motori e sistemi di azionamento per motori asincroni AC, motori sincroni magnete permanente e motori brushless.
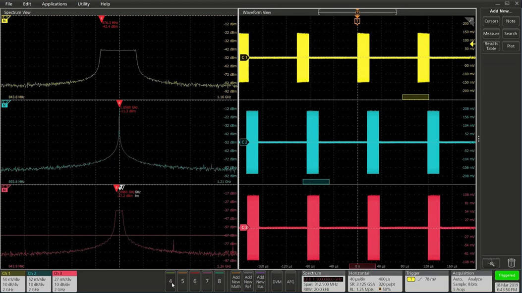
L’analisi in frequenza è un aspetto fondamentale per questa applicazione e la classica FFT ha molte limitazioni che sono state superate nell’oscilloscopio Tektronix MSO Serie5 grazie a Spectrum View: un hardware brevettato e incorporato nello strumento. Dietro ogni ingresso FlexChannel con ADC a12bit c’è un ASIC personalizzato e dedicato; ogni ADC invia dati digitalizzati ad alta velocità lungo due percorsi come indicato nella seguente immagine.

Questo approccio consente il controllo indipendente di acquisizioni nel dominio del tempo e nel dominio della frequenza, permettendo l’ottimizzazione di entrambe le visualizzazioni di un dato segnale. Presenta inoltre numerosi altri vantaggi:
- Abilita l’uso di controlli di analisi dello spettro familiari (Frequenza centrale, intervallo e RBW)
- Abilita la correlazione accurata degli eventi nel dominio del tempo e misure nel dominio della frequenza (e viceversa)
- Migliora significativamente la risoluzione di frequenza raggiungibile nel dominio della frequenza
- Migliora la frequenza di aggiornamento della visualizzazione dello spettro

Tektronix/Keithley fornisce una soluzione completa per la caratterizzazione dei dispositivi di potenza:
Oltre all’aspetto della misurazione e caratterizzazione, una parte essenziale nella conversione di potenza è la parte di test e simulazione e in questo Giakova offre una vasta gamma di alimentatori e carichi elettronici AC e DC con un’ampia gamma di potenze, che vanno da alcune centinaia di watt a centinaia di Kwatt, e possono essere utilizzati per testare componenti e dispositivi relativi ai veicoli elettrici e sistemi di conversione dell’energia come sistemi di accumulo della batteria, stazioni di ricarica EVSE, unità di conversione DC/DC, motori e inverter.



